
Aluno:______________________________________________________ CPF Nº:___________________

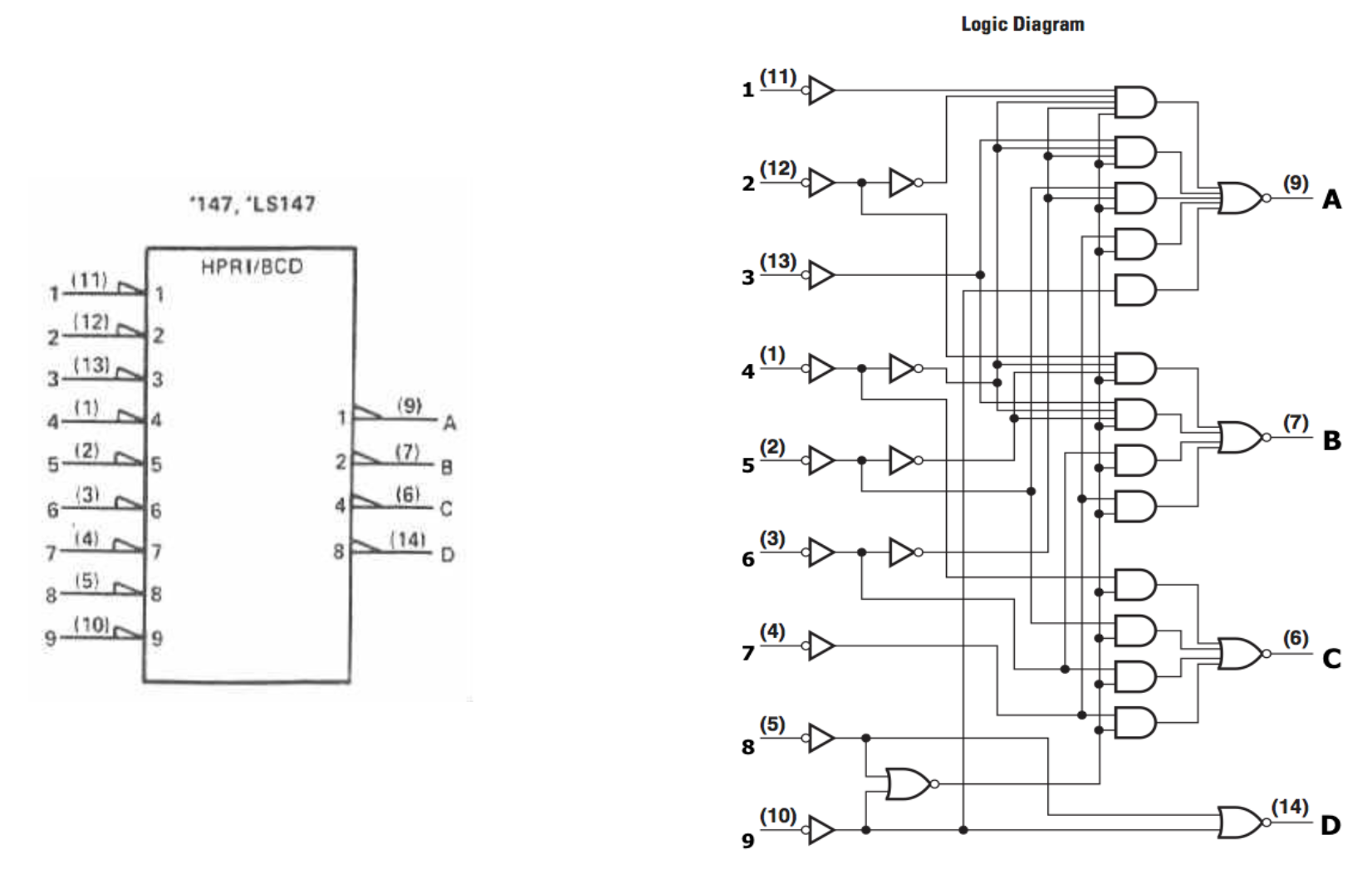
Fig.1
Seu CPF:________________________________
Representação em código REFLETIDO(Gray) dos dois números mais significativos do seu CPF:__________ e __________
Níveis lógicos das entradas 1, 2, 3, 4, 5, 6, 7, 8, 9 = ____________________________
Níveis lógicos das saídas DCBA = ____________________________
Valor da questão = 5
Valor das entradas completamente correta = 2
Valor da saída DCBA completamente correto = 3
Seu CPF:________________________________
Representação, em BCD, dos dois dígitos mais significativos do CPF:_ D7D6D5D4D3D2D1D0 _=_____________________
Valor da questão = 5
Formas de ondas de entradas DCBA totalmente corretas = 2
Valor da forma de onda de saída Y, pino (5), ou saída W, pino(6), do MUX2 74ALS151, totalmente correta = 3
Atualizada em 24/10/25
