Roteiro
- As questões deste guia de estudos foram escolhidas de provas anteriores e do livro texto, para preparar você para a primeira prova do curso no Semestre 2025.1
- Leia o assunto relativo a cada questão no livro texto(aconselhável), na homepage ou em notas de aulas, antes de tentar a solução.
- As soluções são descobertas enquanto tenta resolver as questões. Se cometer alguns erros , considere isto parte do processo de aprendizagem.
- Tente resolver sem qualquer ajuda externa(livro, anotações ou colegas).
- Um melhor rendimento é obtido se você resolver cada questão, assim pode medir seu nível de aprendizado.
- Para cada problema determine uma solução completa, incluindo tabelas, equações e circuitos.
- Simplifique as equações dos problemas que exigem simplificação.
- Após resolver os exercícios, verifique sua solução, comparando com outras soluções de colegas e, por último, com as respostas, clicando nos links Solução, abaixo do enunciado de cada questão.
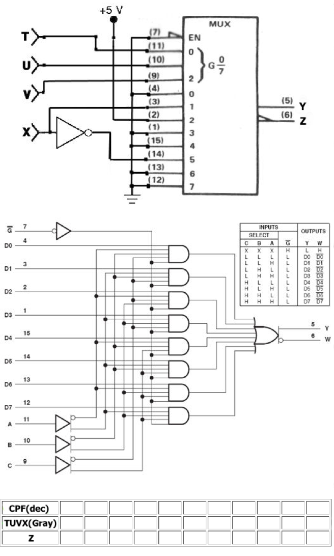
1.No circuito da Fig.1, o CI 74LS151 tem como entradas os sinais TUVX e a saída Z. Considerando que as entradas TUVX representam o código Gray dos dígitos de seu CPF aplicados do dígito mais significativo até o menos significativo, desenhe a forma-de-onda do sinal de saída Z para toda a sequência das entradas.
Solução

Fig.1
2. Na Fig.2, considere que sinais de entrada A, B, C, D são iguais `a representação BCD (DCBA) dos dígitos do seu CPF. Então, complete a tabela abaixo para saídas Y0 até Y15.
Solução

Fig.2
3. O circuito lógico com o MUX SN74LS150 tem as entradas E0E1E2E3E4E5E6E7E8E9E10E11E12E13E14E15 iguais às formas de ondas mostradas na Fig.3. Sabendo que os sinais de entradas DCBA são iguais a forma de onda da representação em código REFLETIDO(Gray) dos 11 dígitos do seu CPF, do dígito mais significativo para o dígito menos significativo, desenhe a forma de onda da saída W OUTPUTS, no pino (10) do CI 74ALS150.
Solução

Fig.3
4. Os CIs SN74LS348, com saídas tri-state(alta impedância), mostrados na Fig.4, é um circuito cujas entradas 0 até 31 são iguais à representação ASCII das quatro letras iniciais do seu nome, primeiro sobrenome, segundo sobrenome, e terceiro sobrenome com paridade ímpar(CPF par) e paridade par(CPF ímpar), e o sinal de habilitação ENABLE está no nível lógico baixo(L). Determine os valores lógicos das saídas Y5 Y4Y3 Y2 Y1 Y0, considerando a tabela verdade do CI mostrada. Considere a ordem de significância das entradas do circuito com os bits mais significativos da palavra de entrada aplicados nas entradas mais significativas do circuito.
Solução

Fig.4

Fig.4
Atualizada em
13/05/25
