
Aluno:______________________________________________________ CPF Nº:___________________
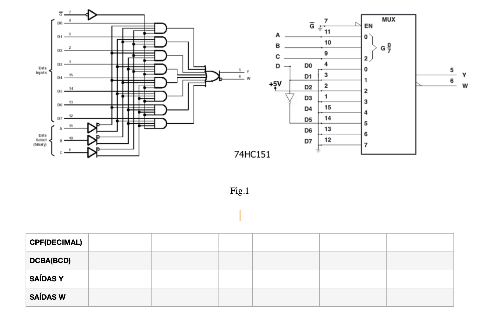
1. 1. No circuito da Fig.1, o CI 74HC151 tem como entradas os sinais DCBA e as saídas W e Y. Considerando que as entradas DCBA representam o código BCD dos dígitos de seu CPF, aplicados do dígito mais significativo até o menos significativo, desenhe a forma-de-onda do sinal de saída W(para CPF par) ou Y(para CPF ímpar) para toda a sequência das entradas.
Solução

Fig.1
CPF:________________________________
Valor da questão = 5
Entradas DCBA completamente corretas = 2
Forma de onda da saída W ou Y completamente correta = 3
2. A figura Fig.2 abaixo mostra o diagrama lógico de um contador de quatro bits. Analise sua operação e desenhe as formas de onda para cada sinal de saída A, B, C e D e determine o módulo do contador. Use o sinal de clock abaixo e admita que o conteúdo inicial do contador seja igual à representação BCD do segundo maior dígito do seu CPF, se o CPF fôr par; e igual à representção BCD do segundo menor dígito do CPF, se o CPF fôr ímpar.
Solução

Fig.2
CPF = ________________________
Valor da questão = 5
Módulo do contador correto = 1
Cada forma de onda de saída D, C, B, A completamente correta = 1
Atualizada em 22/12/25
