
Aluno:______________________________________________________ CPF Nº:___________________
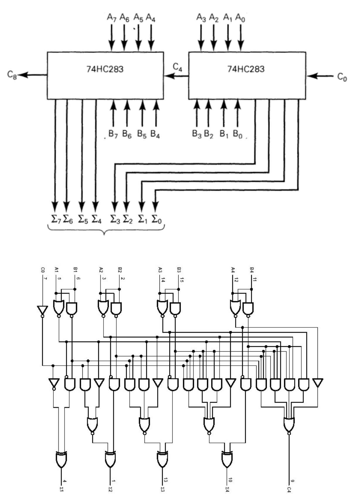
1. Para o somador mostrado na Fig.1, sabendo que A7A6A5A4A3A2A1A0 é igual à representação BCD dos dois dígitos mais significativos do CPF e B7B6B5B4B3B2B1B0 é igual à representação BCD dos dois dígitos menos significativos do CPF, determine as saídas ∑7∑6∑5∑4∑3∑2∑1∑0, C4 e C8. Considere que C0 igual a 1 se seu CPF é ímpar e C0 igual a 0 se seu CPF é par.
Solução

Fig.1
CPF:________________________________
Dois números mais significativos do CPF =____= A7A6A5A4A3A2A1A0 =________________(BCD)
Dois números menos significativos do CPF =____= B7B6B5B4B3B2B1B0 =________________(BCD
Saídas C0 = ____C4 = ____C8 =____∑7∑6∑5∑4∑3∑2∑1∑0 = ____________________(bin)
Valor da questão = 5
Entradas completamente corretas = 2
Saídas completamente correta = 3
2. Analise o contador síncrono da Fig.2. Considere que inicialmente o contador está com DCBA igual à representação BCD do segundo maior dígito do seu CPF e a frequência, em KHz, do CLOCK de entrada igual ao segundo maior número do seu CPF(par) e igual ao segundo menor número do seu CPF(impar). Então, desenhe os diagramas de tempo (formas de onda) das saídas DCBA e determine a frequência do sinal de saída C(CPF par) e B(CPF ímpar).
Solução

Fig.2
Seu CPF:________________________________
Segundo maior número do seu CPF(par):_________ = ________(BCD)
Segundo menor número do CPF(ímpar):_________
Frequência do sinal de CLOCK = ____________KHz
Frequência do sinal de saída B = ____________KHz
Frequência do sinal de saída C = ____________KHz
Valor da questão = 5
Frequência do sinal de saída = 1
Cada forma de onda de saída completamente correta = 1
Atualizada em 15/12/25
