
Aluno:______________________________________________________ CPF Nº:___________________
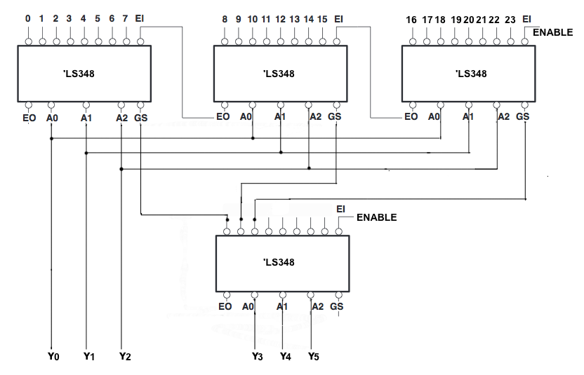
1.Os CIs
SN74LS348, com saídas tri-state(alta impedância), mostrados na Fig.1, é um circuito cujas entradas 0 até 23 são iguais à
representação ASCII das três letras iniciais do seu nome, primeiro sobrenome, e segundo sobrenome, com paridade ímpar(CPF par) e paridade par(CPF ímpar), e o sinal de habilitação ENABLE está no nível lógico baixo(L). Determine os valores lógicos das saídas Y5 Y4Y
3 Y
2 Y
1 Y
0, considerando a tabela verdade do CI mostrada. Considere a ordem de significância das entradas do circuito com os bits mais significativos da palavra de entrada aplicados nas entradas mais siginificativas do circuito.
Solução

Fig.1
Seu CPF:________________________________
Primeira Inicial = __________=________________________(ASCII) com bit de paridade
Segunda Inicial = __________=________________________(ASCII) com bit de paridade
Terceira Inicial = ___________=________________________(ASCII) com bit de paridade
Saída Y5Y4Y3Y2Y1Y0 = _____________________
Valor da questão = 5
Cada código ASCII de entrada completamente correto = 1
Saída Y5Y4Y3Y2Y1Y0 completamente correta = 2
2.No circuito da Fig.2, o CI CD74HC154 tem como entradas os sinais EDCBA e as saídas #Y0 até #Y31. Considere que as entradas EDCBA representam o código GRAY dos dígitos de seu CPF, e E um dígito de paridade ímpar(para CPF par) e E um dígito de paridade par(para CPF ímpar). Então, determine, para cada entrada EDCBA, a saída #Yi e o valor lógico do bit de saída.
Solução

Fig.2
| CPF |
|
|
|
|
|
|
|
|
|
|
|
|
| Entrada(EDCBA) |
|
|
|
|
|
|
|
|
|
|
|
|
| Saída(#Yi) |
|
|
|
|
|
|
|
|
|
|
|
|
| Valor Lógico(#Yi) |
|
|
|
|
|
|
|
|
|
|
|
|
Seu CPF:________________________________
Valor da questão = 5
Cada entrada EDCBA e saídas #Yi correspondentes corretas = 0,41
Atualizada em
1/12/21
